

QLY18
ÐÔÄÜÇúÏß £¨Ò»¼¶ n=2900r/min£©

ÐÔÄܲÎÊý±í
|
ÐͺŠ|
ÅäÓõç»ú |
Á÷Á¿ |
14 |
16 |
18 |
20 |
22 |
24 |
|
QLY18-16*1 |
2.2 |
Ñï³ÌH(m) |
17 |
16.5 |
16 |
14.8 |
13.9 |
12.9 |
|
QLY18-16*2 |
3 |
34 |
33 |
32 |
29.6 |
27.8 |
25.8 | |
|
QLY18-16*3 |
5.5 |
51 |
49.5 |
48 |
44.4 |
41.7 |
38.7 | |
|
QLY18-16*4 |
7.5 |
68 |
66 |
64 |
59.2 |
55.6 |
51.6 | |
|
QLY18-16*5 |
7.5 |
85 |
82.5 |
80 |
74 |
69.5 |
64.5 | |
|
QLY18-16*6 |
11 |
102 |
99 |
96 |
88.8 |
83.4 |
77.4 | |
|
QLY18-16*7 |
11 |
119 |
115.5 |
112 |
103.6 |
97.3 |
90.3 | |
|
QLY18-16*8 |
15 |
136 |
132 |
128 |
118.4 |
111.2 |
103.2 | |
|
QLY18-16*9 |
15 |
153 |
148.5 |
144 |
133.2 |
125.1 |
116.1 | |
|
QLY18-16*10 |
18.5 |
170 |
165 |
160 |
148 |
139 |
129 | |
|
QLY18-16*11 |
18.5 |
187 |
181.5 |
176 |
162.8 |
152.9 |
141.9 | |
|
QLY18-16*12 |
18.5 |
204 |
198 |
192 |
177.6 |
166.8 |
154.8 | |
|
QLY18-16*13 |
22 |
221 |
214.5 |
208 |
192.4 |
180.7 |
167.7 | |
|
QLY18-16*14 |
22 |
238 |
231 |
224 |
207.2 |
194.6 |
180.6 |

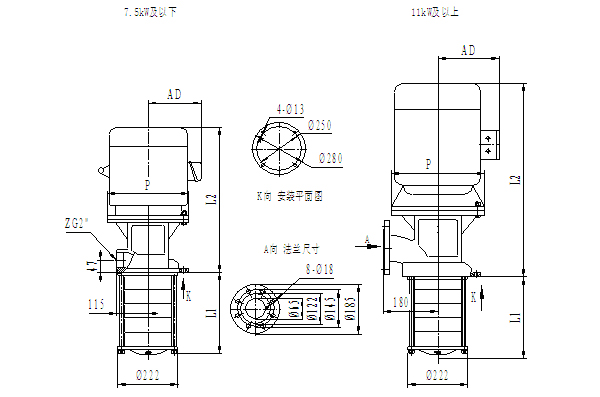
³ß´ç¼°ÖØÁ¿
|
ÐͺŠ|
L1 |
L2 |
AD |
P(AC) |
ÖØÁ¿ |
|
QLY18-16*1 |
105 |
445 |
155 |
195 |
51.2 |
|
QLY18-16*2 |
144 |
480 |
175 |
215 |
60.7 |
|
QLY18-16*3 |
183 |
565 |
175 |
300 |
93.6 |
|
QLY18-16*4 |
222 |
565 |
190 |
300 |
98.3 |
|
QLY18-16*5 |
261 |
565 |
210 |
300 |
99.9 |
|
QLY18-16*6 |
300 |
790 |
255 |
350 |
156.2 |
|
QLY18-16*7 |
339 |
790 |
255 |
350 |
157.9 |
|
QLY18-16*8 |
378 |
790 |
255 |
350 |
169.5 |
|
QLY18-16*9 |
417 |
790 |
255 |
350 |
171.2 |
|
QLY18-16*10 |
456 |
845 |
255 |
350 |
189.8 |
|
QLY18-16*11 |
495 |
845 |
255 |
350 |
191.5 |
|
QLY18-16*12 |
534 |
845 |
255 |
350 |
193.1 |
|
QLY18-16*13 |
573 |
875 |
255 |
350 |
229.8 |
|
QLY18-16*14 |
612 |
875 |
255 |
350 |
231.4 |
×¢£º±íÖÐL1³ß´çΪÎÞÁª½Ó¹Ü±ÃµÄÒºÏÂÉî¶È£¬Èç¹ûÑ¡ÓÃÓÐÁª½Ó¹ÜÐÍʽ£¬ÇëÔÚºÏͬÖÐ×¢Ã÷ËùÒªÇóµÄÒºÏÂÉî¶È¡£
ËÕ¹«Íø°²±¸ 32058202010890ºÅ ±¸°¸ºÅ£ºËÕICP±¸09062338ºÅ-2